5000WM01 Stainless Steel Low Profile Weigh Module IP68
Capacity: 1 to 225 klb / 453 kg to 102 t
The 5000WM01 is a stainless steel weigh module. This is an innovative, low-profile, weigh assembly with built-in uplift restraint and over load protection.
Features
- Capacities from 1klb to 225klb
- Stainless steel construction
- Environmental protection IP68
applications
- Tank, bin, and hopper weighing, silo level indication, bulk bag loading and unloading; and batching, mixing and blending applications
options
- Top mounting plates (see AVAILABLE ACCESSORIES).
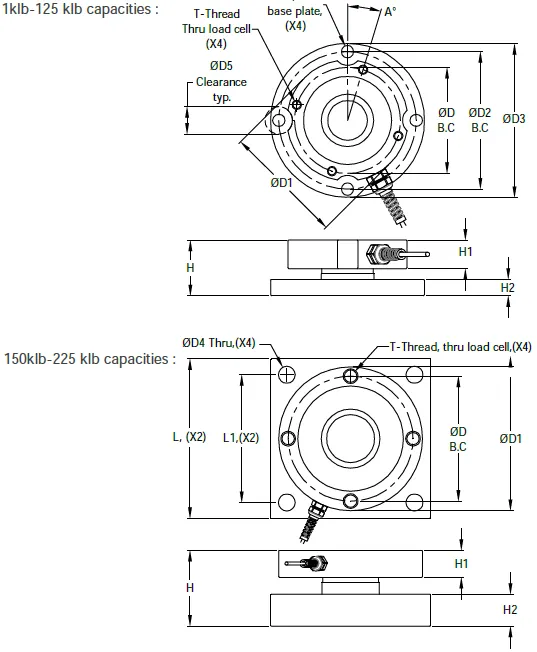
technical details of 5000WM01 Low Profile Weigh Module
Outline Dimensions

Wiring

Specification

