7001 Stainless Steel Load Pin IP67
Capacity: 100t to 500t
The 7001 stainless steel shear pin load cell is designed for tension and compression measurements. That can be applied on clevis pin shackles and crane scales.
Features
- Stainless steel construction
- Rated Capacities from 20t to 70t
- IP Rating: IP67
applications
- Crane scale, Clevis pin
options
- Service temperature range up to 120°C [248°F]
- Lightning protection
- Tailor made for different application
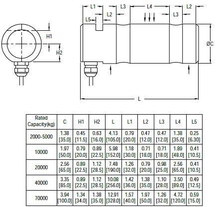
technical details of 7001 Load Pin IP67
Outline Dimensions

Wiring

Specification

