Tension link Load Cell 9001 TLLC
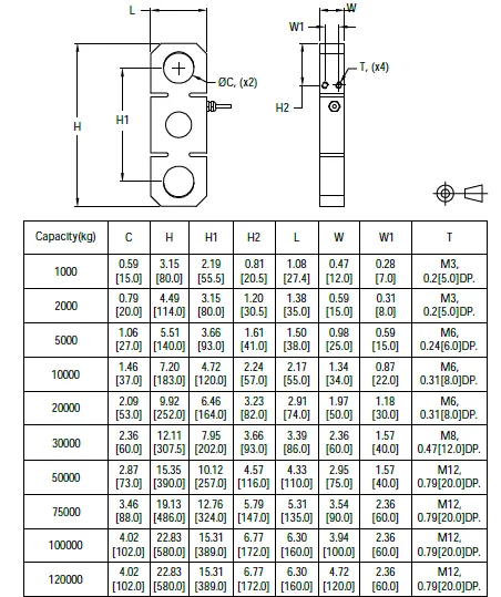
Capacity: 1t to 120t
This tension link load cell 9001 is ideal for use in crane scales and tensions measurements. It is alloy steel, equivalent to 3000 Div. for class III scales. Pantent Design.
Below you can view or download the datasheet of Tension link Load Cell 9001
Features
- Capacities from 1t to 120t
- Alloy steel construction
- Environmental Protection IP67
- Small size, low profile
Applications of Tension link Load Cell 9001
- Crane scales, tension measurement
Options
- Stainless steel version
technical details of 9001 Force Sensor Tension Load Cell
Outline Dimensions

Wiring

Specification

