Alloy Steel Double Ended Beam Load Cell ADESB 2004
Capacity: 20Klb
The type 2004 is a steel double ended shear beam, commonly used in general purpose weigh systems and truck scales.
Below you can view or download the datasheet of Alloy Steel Double Ended Beam Load Cell ADESB 2004
Features
- Capacity: 20klb.
- Alloy steel construction.
- Environmental Protection IP67.
- NTEP Approved (legal-for-trade) available.
Applications
- General purpose weigh systems and truck scales.
Options
- Service temperature range up to 120°C
- Stainless steel version
- 6 Wire circuit
- Lightning protection
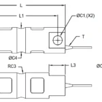
Outline Dimensions
| Capacity(klb) | C1 | C2 | C3 | C4 | L | L1 | L2 | L3 | W | T |
|---|---|---|---|---|---|---|---|---|---|---|
| 20 | 0.66 [16.7] | 1.95 [49.5] | 0.50 [12.7] | 1.48 [37.6] | 8.12 [206.3] | 6.88 [174.6] | 0.62 [174.6] | 1.44 [36.6] | 1.12 [28.5] | 1/4-18NPT |
Wiring
Cable: Ø5.1mm, 4 Conductor cable (Capacity 20Klb).
Specifications
| Model | 2004-002-01 | |
|---|---|---|
| Capacities | klb | 20 |
| Full scale output (FS) | mV/V | 3.0±0.25% |
| Non-linearity | %FS | ≤±0.3 |
| Hysteresis | %FS | ≤±0.3 |
| Repeatability | %FS | ≤±0.1 |
| Creep @ 30min | %FS | ≤±0.3 |
| Zero balance | %FS | ≤±5 |
| Temperature effect | ||
| Output | %FS/10 °C | ≤±0.1 |
| Zero | %FS/10 °C | ≤±0.1 |
| Temperature range | ||
| Compensated | °C | -10 ~ + 40 |
| Operating | °C | -20 ~ + 65 |
| Terminal resistance | ||
| Input resistance | Ω | 736±30 |
| Output resistance | Ω | 700±5 |
| Excitation voltage | VDC | 5 ~ 15 |
| Insulation resistance @ 50V DC | MΩ | ≥5000 |
| Safe overload limit | %FS | 200 |
| Ultimate load | %FS | 250 |
| Cable length | m | 10 |
| Cable type | 2 AWG, 4 conductor shielded black pvc cable | |
| Seal type | IP67 | |
| Element material | Stainless steel | |
Part Numbers
| Capacity | Part Number |
|---|---|
| 20klb | 2004-002-01 |
Alloy Steel Double Ended Beam Load Cell ADESB 2004 dimensions and specifications subject to change without notice.


