ASM (8031) Anodized Aluminum Load Cell
Capacity: 5 to 500 kg
The type ASM aluminum low profile universal force sensor is ideal for use in medical test equipment, automated machines, testing machines and robotics.
Features
- Anodized aluminum construction
- Space saving low profile design
- Capacity 5, 10, 20, 50 100 & 500kg
- Environmental protection IP67
applications
- Testing machines
- Medical test equipment
- Automated weighing systems
- Bench weighing systems
- Robotics
- Tank weighing
- Hopper weighing
technical details of ASM (8031) Anodized Aluminum Load Cell
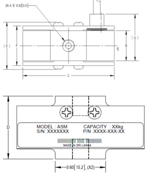
Outline Dimensions

Wiring

Specification

Part Numbers

