Donut Tension and Compression Load Cell ATC 5000
Capacity: 1 to 50 klb
The ATC is a canister load cell specially designed for the measurement compressive/tension forces and weight. Its form factor allows for better stability and use in small space applications.
Below you can view or download the datasheet of Donut Tension and Compression Load Cell ATC 5000.
Features
- Capacities 1, 2, 5, 10, 25 & 50klbs
- Environmental Protection IP69
- Stainless Steel Construction
- M8 5 Pin Male Connector
Applications of Donut Tension and Compression Load Cell ATC 5000
- Tension/Compression
- Force Measurement
- Weight Measurement
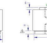
Outline Dimensions
| Capacity (klb) | A | B | C | D | E | G | H | I | J | T |
|---|---|---|---|---|---|---|---|---|---|---|
| 10 | 2.51 [63.8] | 3.94 [100.1] | 2.53 [64.3] | 1.25 [31.8] | 0.20 [5.0] | 1.00 [25.4] | 0.18 [4.5] | 0.12 [3.0] | 3.06 [77.7] | 5/8-18 UNF 1.00 [25.4] |
| 25 | 3.50 [88.9] | 4.46 [113.3] | 3.89 [98.8 | 2.65 [67.3] | 0.30 [7.5] | 1.43 [36.4] | 0.44 [11.1] | 0.37 [9.4] | 4.09 [103.9] | 1-1/4-12 UNF 1.30 [33.0] |
| 50 |
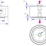
Wiring
Pin Configuration
Specifications
| Model | ATC | |
|---|---|---|
| Capacity | klb | 1,2,5,10,25,50 |
| Full scale output (FS) | mV/V | 2.0±0.1% |
| Zero balance | %FS | ≤±5 |
| Non-linearity | %FS | ≤±0.03 |
| Hysteresis | %FS | ≤±0.03 |
| Creep @ 30 min | %FS | ≤±0.02 |
| Temperature effect | ||
| Output | %FS/10ºC | ≤±0.04 |
| Zero | %FS/10ºC | ≤±0.04 |
| Temperature range | ||
| Compensated | ºC | -10 ~ +40 |
| Operating | ºC | -20 ~ +65 |
| Excitation voltage | VDC | 5-15 |
| Insulation resistance @50VDC | MΩ | ≥5000 |
| Safe overload limit | %FS | 150 |
| Ultimate load | %FS | 160 |
| Seal type | IP69 | |
| Element material | Stainless steel | |
Part Numbers
| Capacity | G4 Part Number |
|---|---|
| 1klb | 5000-002-00 |
| 2klb | 5000-003-00 |
| 5klb | 5000-004-00 |
| 10klb | 5000-005-00 |
| 25klb | 5000-006-00 |
| 50klb | 5000-007-00 |
Donut Tension and Compression Load Cell ATC 5000 dimensions and specifications subject to change without notice.





