CLTD (4030) Stainless Steel Single Point Load Cell
Capacity: 100kg, 250kg, 500kg
The CLTD is a stainless steel single point load cell. Ideal for use in hazardous environments, gas scales, platform scales and wash down applications.
Below you can view or download the datasheet of CLTD 4030 Stainless Steel Single Point Load Cell.
Features of CLTD 4030 Stainless Steel Single Point Load Cell
- Capacity 100kg, 250kg, 500kg
- MOC: Stainless Steel
- Environmental protection IP69
Applications
- Platform scales
- LPG filling
- Bench scales
- Food processing
- Harsh environment
- Wash down applications
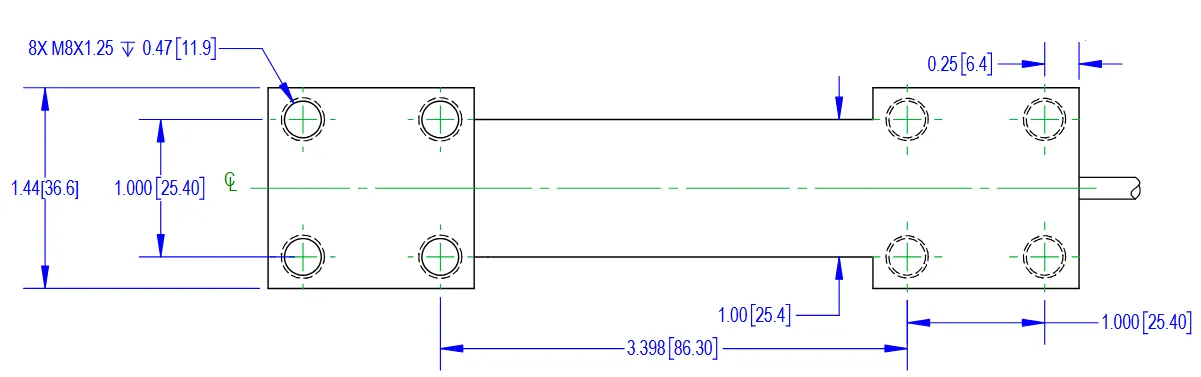
Outline Dimensions
Wiring
Specifications of CLTD 4030 Stainless Steel Single Point Load Cell
| Model | CLTD | |
|---|---|---|
| Capacities | kg | 100 / 250 / 500 |
| Full scale output (FS) | mV/V | 2.0±0.1% |
| Non-linearity | %FS | ≤±0.02 |
| Hysteresis | %FS | ≤±0.02 |
| Zero Balance | %FS | ≤±5 |
| Creep @ 30min | %FS | ≤±0.02 |
| OCLS | ||
| Max Platform Size | mm | 600 x 600 |
| Max Off-Center Distance | mm | 212 |
| OCLS error @ 1/3 of Emax | %FS | ≤±0.05 |
| Temperature Effect | ||
| Output | %FS/10°C | ≤±0.04 |
| Zero | %FS/10°C | ≤±0.04 |
| Temperature Range | ||
| Compensated | °C | -10… +40 |
| Operating | °C | -20… +65 |
| Temperature resistance | ||
| Input | Ω | 386±30 |
| Output resistance | Ω | 350±5 |
| Excitation voltage | VDC | 5 ~ 15 |
| Insulation resistance @50VDC | MΩ | ≥5000 |
| Safe overload limit | %FS | 150 |
| Ultimate Load | %FS | 200 |
| Cable length | ft | 10 |
| Element material | Stainless Steel | |
| Seal type | IP69 | |
| Cable type | 24 AWG 6 Conductor Foil Shielded Black PVC Cable | |
Part Numbers
| Capacity (kg) | GroupFour Part NUmber |
|---|---|
| 100 | 4030-000-02 |
| 250 | 4030-001-02 |
| 500 | 4030-002-02 |



