Digital Compression Canister Load Cell DTC 5043D
Capacity: 10 to 50 klb / 4.5 to 22 t
This digital column type load cell, designed for tension and compression force testing applications.
Below you can view or download the datasheet of Digital Compression Canister Load Cell DTC 5043D
Features
- Capacity range 10k-50k
- Stainless steel construction
- Environmental protection IP69
- AD conversion rate up to 1200upd./sec
- Free software for simple load cell set up and operation
Applications
- Aircraft weighing
- Tank weighing
- Truck scales
- Digital force testers
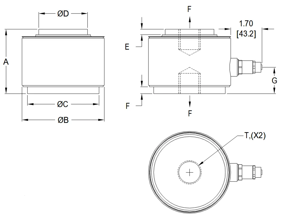
Outline Dimensions
Note: Positive loading direction is shown by arrows. M12, 8pin male connector to open ended, 6 feet long mating cable provided with the load cell.
| Capacity (klb) | A | B | C | D | E | F | G | T |
|---|---|---|---|---|---|---|---|---|
| 10 | 2.51 [63.8] | 3.48 [88.4] | 2.53 [64.3] | 1.25 [31.8] | 0.12 [3.0] | 0.12 [3.0] | 1.00 [25.4] | 5/8-18UNF-3B, 1.12[28.4]DP. |
| 50 | 3.50 [88.9] | 4.46 [113.3] | 3.89 [98.8] | 2.65 [67.3] | 0.30 [7.5] | 0.37 [9.4] | 1.43 [36.4] | 1-1/4-12UNF-3B 1.40[35.5]DP. |
Wiring
| Female Connector Signal Electronics M12AF0008 | ||
|---|---|---|
| Pin No. | RS-232+CAN | RS-485+RS-422 |
| 1 | GND1 | GND1 |
| 2 | PROGRAM | PROGRAM |
| 3 | CANH | Rx+ |
| 4 | TRIGGER INPUT | TRIGGER INPUT |
| 5 | CANL | Rx- |
| 6 | RxD | Tx- |
| 7 | TxD | Tx+ |
| 8 | PWR+ | PWR+ |
Pin Configuration
Specifications
Part Numbers
| Capacity(klb) | Option | Part No. |
|---|---|---|
| 10 | RS-232+CAN | 5043D-000-00 |
| 50 | RS-232+CAN | 5043D-001-00 |
| 10 | RS-485 +RS-422 | 5043D-000-01 |
| 50 | RS-485 +RS-422 | 5043D-001-01 |
Dimensions and specifications of Digital Compression Canister Load Cell DTC 5043D subject to change without notice.



