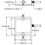
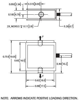
FSN (3020) Miniature S Beam Load Cell
Capacity: 2 to 100 lb / 907 g to 45 kg
The type 3020 is a miniature high performance S beam load cell suitable for applications with limited space. Featuring integrated overload protection, this compact and lightweight sensor is ideal for a wide range of tension and compression applications.
Below you can view or download the datasheet of FSN 3020 Miniature S Beam Load Cell.
Features of FSN 3020 Miniature S Beam Load Cell
- Capacities from 2lb to 100lb
- High accuracy
- Environmental protection IP40
- Miniature size
- Built in overload protection
- Tension and compression device
Applications
- High volume, tight fitting OEM applications
- Machine monitoring and control
- Packaging machinery
- Assembly machinery
- General test and measurement
- End of line test equipment
- Medical Bag weighing
Options
- Custom cable length
Part Numbers
| Capacity | Part No. | Element material |
|---|---|---|
| 2lb | 3020-002-00 | 2024-T351 Aluminium |
| 5lb | 3020-003-00 | |
| 10lb | 3020-004-00 | |
| 25lb | 3021-000-00 | Stainless steel |
| 50lb | 3021-001-00 | |
| 100lb | 3021-002-00 |



