GPB (6001) Aluminum Planar Beam Load Cell IP65
Capacity: 3.75kg to 150kg
This GPB is a very low profile load cell. Its unique design allows for great flexibility in scale design.
Features
- Capacities: 3.75, 15, 37.5, 75, 150kg
- Aluminum construction
- Environmental Protection IP67
- Very low profile design
- High input resistance
- Calibration in mV/V/ ? for accuracy class C3
- OIML and NTEP approved
applications
- Compact scales, bench and floor scales, retail and counting scales,special applications in medical and other areas
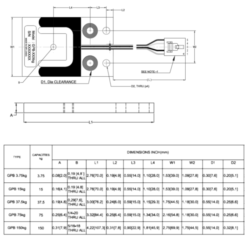
technical details of GPB (6001) Planar Beam Load Cell
Outline Dimensions

Wiring

Specification

