GSM (3005) Stainless Steel S Beam Load Cell
Capacity: 50 lb to 10 klb / 22 kg to 4.5 t
The GSM 3005 is a stainless steel load cell design for measuring tension or compression loads.
Features
- Capacities 50lb-10,000lb
- Stainless steel construction
- Environmentaly protected to IP67
applications
- Crane scales and hanging scales
- Small hopper and tank weighing systems
- Hybrid systems with lever work
- Belt weighers and other load carriers with multiple load cells
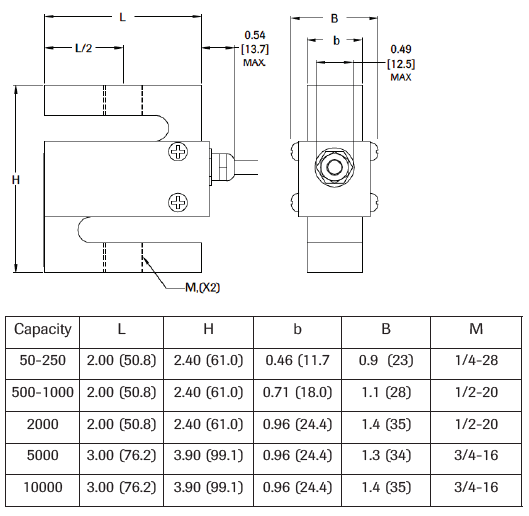
technical details of GSM (3005) S Beam Load Cell
Outline Dimensions

Wiring

Specification

Part Numbers

