JB8 Junction Box
The Junction box JB8 is designed for the connections of up to 8 load cells in parallel. Material of construction is available in aluminum
Features
- Connection up to 8 load cells
- Robust enclosure with cable glands
- Sealed to IP67
- M8 5 pin male connector for output
- M8 5 pin female connector for load cell input
applications
- Multi load cell application
- Floor, tank, hopper scales
technical details of JB8 Junction Box
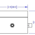
Outline Dimensions


Specification

Part Numbers

