JSB (2021) Stainless Steel Double Ended Shear Beam Load Cell IP67
Capacity: 5klb to 20klb
This stainless steel double ended beam is commonly used in general purpose weigh systems and truck scales.
Features
- Capacities from 5klb to 20klb
- Stainless steel construction
- Environmental protection IP67
applications
- General purpose weigh systems and truck scales
technical details of JSB (2021) Double Ended Shear Beam
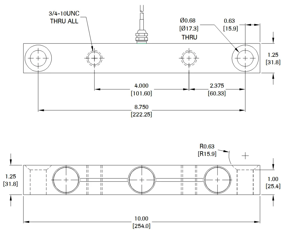
Outline Dimensions

Wiring

Specification

Part Numbers

