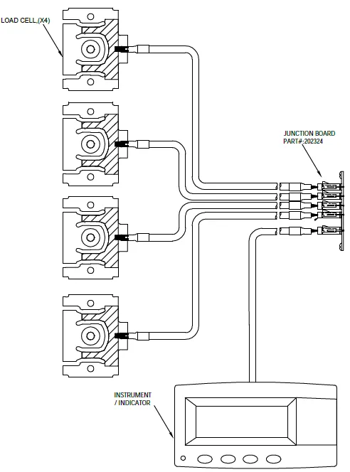
Junction board (202324) Analog Summing
This junction board is designed for the connections of up to 4 load cells in parallel.
Features
- Connect up to 4 load cells
- Low profile design
technical details of Junction board 202324
Outline Dimensions

Wiring

