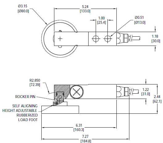
LF (1032-1) Series Load Cell Load Foot
Capacity: 200 to 5000 kg
The LF series load feet is a self aligning rubber foot, combining excellent load introduction with low profile design.
Features
- Capacity range: 200 kg to 5000 kg
- Environmental protection IP68
- Blind hole load introduction
- A special low profile foot is available
applications
- Platform scales
technical details of LF (1032-1) Series Load Cell Load Foot
Outline Dimensions


Wiring

Specification

Full scale output

