Compression Ring Button Load Cell NCM 5018
Capacity: 50 to 2000 kg
The NCM is a compression ring button load cell, ideal for force measurement in small spaces.
Below you can view or download the datasheet of Compression Ring Button Load Cell NCM 5018.
Features
- Capacities; 50, 100, 200, 500, 1000, 2000
- Stainless steel construction
- Environmental protection IP67
- Low profile design
Applications
- Force measurement
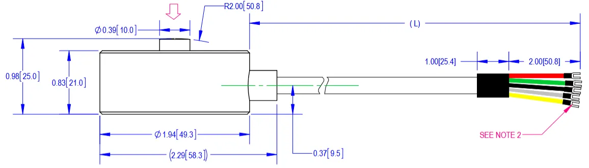
Outline Dimensions
Wiring
Specifications
| MODEL | NCM | |
|---|---|---|
| Capacities | kg | 50, 100, 200, 500, 1000, 2000kgs |
| Full Scale Output (FS) | mV/V | 2.0±0.25% |
| Non-Linearity | Hz%FS | ≤ ±0.15 |
| Hysteresis | %FS | ≤ ±0.1 |
| Non-Repeatability | %FS | ≤ ±0.05 |
| Creep @ 30 Min | %FS | ≤ ±0.1 |
| Zero Balance | %FS | ≤ ±3 |
| Temperature Range | ||
| Compensated | °C | -10… +40 |
| Operating | °C | -20… +65 |
| Temperature effect on zero | ||
| Zero | %FS/10°C | ≤±0.04 |
| Output | %FS/10ºC | ≤±0.04 |
| Terminal Resistance | ||
| Input Resistance | Ω | 736±30 |
| Output Resistance | Ω | 700±5 |
| Excitation Voltage | VDC | 5 ~ 15 |
| Insulation Resistance @50 VDC | MΩ | ≥5000 |
| Safe Overload Limit | %FS | 150 |
| Ultimate Load | %FS | 200 |
| Cable Length | ft | 10 |
| Cable Type | 22 AWG 4 Conductor Foil Shielded Black PVC Cable | |
| Environmental Protection | IP67 | |
| Element Material | Stainless steel | |
Part Numbers
| Capacity (lb) | Part# |
|---|---|
| 50 | 5018-000-01 |
| 100 | 5018-001-01 |
| 200 | 5018-009-00 |
| 500 | 5018-003-01 |
| 1000 | 5018-004-02 |
| 2000 | 5018-007-01 |
Compression Ring Button Load Cell NCM 5018 dimensions and specifications subject to change without notice



