NLC (4044) Anodized Aluminum Single Point Load Cell IP67
Capacity: 24 kg
The type NLC is an aluminum single point load cell ideal for use in Ishida packaging machines.
Features
- Capacities 24 kg
- Aluminum construction
- Environmental Protection IP67
applications
- Packaging machines
technical details of NLC (4044) Anodized Aluminum Single Point Load Cell
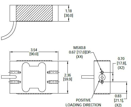
Outline Dimensions

Wiring

Specification

Part Numbers

