RBVR (1058) Stainless Steel Single Ended Shear Beam
Capacity: 200 to 2000 kg
The RBVR is a stainless steel single ended shear beam, ideal for use in platforms scales, floor scales and tank weighing systems.
Features
- Capacity range: 200, 500, 1000, 2000kg
- Thru hole loading
- Environmental protection IP67
- Low profile design
applications
- Platform scales
- Low profile platforms
- Tank weighing
- Hopper weighing
technical details of RBVR (1058) Single Ended Shear Beam
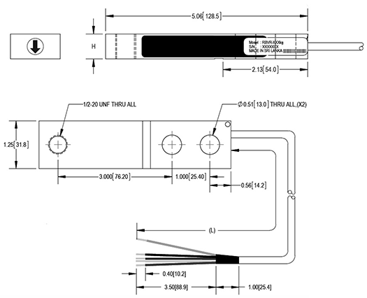
Outline Dimensions

Wiring

Specification

Part Numbers

