RC-WM (5000WM3) Stainless Steel RC Weigh Module IP69
Capacity: 5 to 50 ton
The type RC-WM is a self aligning weigh module with superior load introduction. The weigh module will be shipped completely pre-assembled, ready for installation by welding or bolting.
Features
- Capacities from 5-50 ton
- Self aligning
- Totaly hermetically sealed load cell
- Integral checking
- Up lift protected
applications
- Tank, bin and hopper weighing, silo weighing
options
- Stainless steel assembly
- Top and Bottom mounting plate
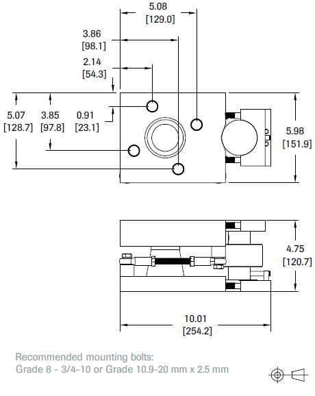
technical details of RC-WM (5000WM3) RC Weigh Module
Outline Dimensions


Wiring

Specification

Part Numbers

