SP1 (4001) Anodized Aluminum Single Point Load Cell IP67
Capacity: 0.1kg to 5kg
Features
- Capacities 0.1kg – 5kg
- Anodized aluminum construction
- Environmental protection IP66
applications
- Jewlers scale and small filling machines, laboratory testing, light capacity bench scales
technical details of SP1 (4001) Anodized Aluminum Single Point
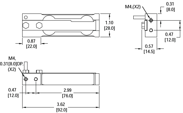
Outline Dimensions

Wiring

Specification

