Aluminum Digital Single Point Load Cell SP46AD 4076D
Capacity: 20kg, 50kg, 100kg
The SP46AD is an aluminum digital single point load cell. Ideal for use in conveyor scales, hi-speed check weighers, bench scale, small tank, bin and hopper weighing systems.
Below you can view or download the datasheet of Aluminum Digital Single Point Load Cell SP46AD 4076D
Features
- Capacities 20kg, 50kg & 100kg
- Aluminum construction
- Environmental protection IP67
- AD conversion rate up to 1200upd/sec
Applications of Aluminum Digital Single Point Load Cell SP46AD 4076D
- Bench scales
- Floor scales
- Conveyor weighing systems
- Tank bin
- Hopper weigh systems
Options
Load cells can be supplied with calibration certificates as per ASTM E74
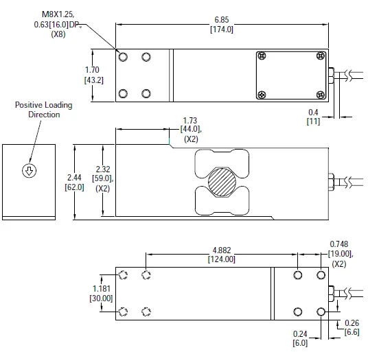
Outline Dimensions
Wiring
| Cable Color Code | ||
|---|---|---|
| Color code | RS-232+CAN | RS-485+RS-422 |
| Red | PWR+ | PWR+ |
| Black | GND | GND |
| White | RxD | Rx+ |
| Green | TxD | Rx- |
| Brown | CANH | Tx+ |
| Blue | CANL | Tx- |
Cable : 24AWG, 6 Conductor foil shielded black PVC cable.
Specifications
| Model | SP46AD | |
|---|---|---|
| Capacity (Emax) | kg | 20/ 50/100 |
| PERFORMANCES | ||
| Accuracy class according to the OIML R60 | C3 | |
| Minimum load cell verification | g | Emax /10000 |
| Combined Error | %FS | ≤±0.017 |
| Creep @ 30min | %FS | ≤±0.017 |
| Zero Balance, raw counts | increments | ±2000 |
| Output resolution at full load, raw counts | increments | 512000 |
| Internal AD conversion rate | upd./sec | 1200 |
| Fix, Digital Low Pass IIR Filter, Default | Hz | 18 (Supress 50Hz and 60Hz Influence) |
| Adjustable , Digital Low Pass IIR Filter Adjustable , Digital Low Pass FIR Filter | Hz | 18-0.25; Selectable in 8 Steps 40-5; Selectable in 8 Steps |
| Adjustable, External Output Update Rate | upd./sec | 1200-9; Selectable in 8 Steps |
| GENERAL I/O’s | ||
| Hardware Interface, CAN Version Hardware Interface, RS Version | CAN and RS232 RS485 and RS422 (Both Four Wire) | |
| Data transmission rates CAN Data transm. rates RS485/RS422/RS232 | kb | 125;250;500;1000 9.6;19.2;38.4;57.6;115.2;230.4;460.8 |
| Protocol CAN Protocol RS485/ RS422/ RS232 | CAN Open ASCII or Modbus RTU | |
| Logical Input, Programmable | Trigger Level 2-30Vdc,<3mA,Ref to Gnd. | |
| Power supply | VDC | 10-30 ≤ 0.4 Watt |
| Mounting Bolt Torque | Nm | 9 |
| INFLUENCES | ||
| Safe Load Limit | %* Emax | 150 |
| Ultimate Load | %* Emax | 200 |
| Eccentric loading error acc. to OIML R76 | %FS | ≤±0.023 |
| Max platform size | mm | 400X400 |
| emperature Effect on Zero | %FS/°C | 0.001 |
| Temperature Effect on Span | %FS/°C | 0.001 |
| Temperature Range | °C | Operating: -10/+40 |
| EMC performance | MID Class E2 (Industrial Locations) | |
| I/O Protection, All Pins | Reversed Polarity; Excess Voltage and Surge | |
| Isolation Body/ Electronics at 500VDC | GΩ | ≥1 |
| Vibration | 2.5G Operational; 5G Non-Operational | |
| Environmental Protection per IEC529 | IP67 | |
| Corrosion Resistance | Anodized Aluminum | |
Part Numbers
| Capacity(kg) | Option | Part No. |
|---|---|---|
| 20 | RS232 + CAN | 4076D-000-02 |
| 20 | RS485+RS422 | 4076D-000-03 |
| 20 | RS232 + CAN | 4076D-000-06 |
| 20 | RS485+RS422 | 4076D-000-07 |
| 50 | RS232 + CAN | 4076D-004-02 |
| 50 | RS485+RS422 | 4076D-004-03 |
| 50 | RS485+RS422 | 4076D-004-06 |
| 50 | RS232 + CAN | 4076D-004-07 |
| 100 | RS232 + CAN | 4076D-001-04 |
| 100 | RS485+RS422 | 4076D-001-05 |
| 100 | RS232 + CAN | 4076D-001-06 |
| 100 | RS485+RS422 | 4076D-001-07 |

