SP46H (4083) Stainless Steel Single Point Load Cell IP69
Capacity: 10kg to 300kg
The 4083 is a stainless steel hermetically sealed single point load cell, ideal for large bench scales, conveyor scales, filling machines, weigh feeders and for use in heavy wash down applications.
Features
- Capacities from 10kg to 300kg
- Stainless steel construction
- Environmental protection IP69
- Maximum platform size up to 400mm x 400mm
applications
- Bench scales
- Floor scales
- Conveyor scales
- Large filling machines
- Weigh feeders
- Medical scales
options
- Nickel plated alloy steel version.
technical details of SP46H (4083) Stainless Steel Single Point Load Cell
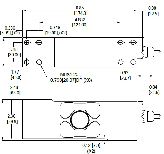
Outline Dimensions

Wiring

Specification

Part Numbers

