Digital Single Point Load Cell SP46HD 4075D
Capacity: 20, 100, 200 & 500kg
This is a digital stainless steel single point load cell. Used in conveyor weighing systems, tank bin and hopper weigh systems, bench scales and floor scales. Ideal for use in heavy wash down areas. Protection class IP69.
Below you can view or download the datasheet of Digital Single Point Load Cell SP46HD
Features
- Capacities 20, 100, 200 and 500kg
- Stainless steel construction
- Environmental protection IP69
- AD conversion rate up to 1200upd./sec
Applications of Digital Single Point Load Cell SP46HD 4075D
- Bench scales
- Floor scales
- Conveyor weighing systems
- Tank Bin and hopper Weigh Systems
Options
- Load cells can be supplied with calibration certificates as per ASTM E74.
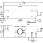
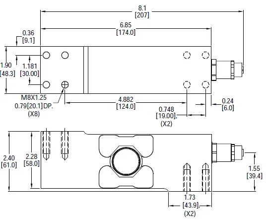
Outline Dimensions
note: M12, 8pin male connector to open ended, 6 feet long
Mating cable provided with the load cell
Wiring
| Female Connector Signal Electronics M12AF0008 | ||
|---|---|---|
| Pin No. | RS-232+CAN | RS-485+RS-422 |
| 1 | GND1 | GND1 |
| 2 | PROGRAM | PROGRAM |
| 3 | CANH | Rx+ |
| 4 | TRIGGER INPUT | TRIGGER INPUT |
| 5 | CANL | Rx- |
| 6 | RxD | Tx- |
| 7 | TxD | Tx+ |
| 8 | PWR+ | PWR+ |
Pin Configuration
Specifications
Part Numbers
| Capacity(kg) | Option | Part No. |
|---|---|---|
| 20 | RS232 + CAN | 4075D-000-00 |
| RS485+RS422 | 4075D-000-01 | |
| 100 | RS232 + CAN | 4075D-001-00 |
| RS485+RS422 | 4075D-001-01 | |
| 200 | RS232 + CAN | 4075D-002-00 |
| RS485+RS422 | 4075D-002-01 | |
| 500 | RS232 + CAN | 4075D-003-00 |
| RS485+RS422 | 4075D-003-01 |



