SP50 (4025) Heavy Capacity Single Point Load Cell
Capacity: 75kg to 500kg
The SP50 4025 series is constructed from high grade aluminum. It is designed for heavy capacity applications and will accommodate off-center loads. The capacities offered are from 75 kg up to 500 kg. The IP67 moisture rating makes it suitable for a semi-wet environment. The integral overload stop gives this load cell positive overload protection making it ideal for heavy industrial wear and tear. This cell is perfect for industrial bench scales, packaging machines and filling machines.
Below you can view or download the datasheet of SP50 4025 Heavy Capacity Single Point Load Cell
Features of SP50 4025 Heavy Capacity Single Point Load Cell
- Capacities from 75kg to 500kg
- Anodized aluminum construction
- Environmental protection IP67
Applications
- Large dimension and heavy capacity bench scales and large filling and packaging machines
Options
- mV/V/Ω Calibration matching
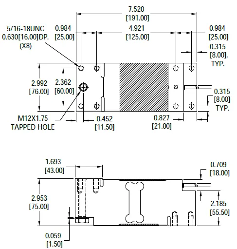
Outline Dimensions
Wiring
Cable: 26 AWG 6 Conductor shielded cable with PVC jacket.
SP50 4025 Heavy Capacity Single Point Load Cell Specifications
| Model | 4025 | |
|---|---|---|
| Capacities | kg | 75 / 100 / 150 / 250 / 500 |
| Full scale output (FS) | mV/V | 2.0±0.1% |
| Non-linearity | %FS | ≤±0.02 |
| Hysteresis | %FS | ≤±0.02 |
| Zero Balance | %FS | ≤±0.10 |
| Creep @ 30min | %FS | ≤±0.0245 |
| OCLS | ||
| Max Platform Size | in | 800 x 800 |
| Max Off-Center Distance | in | ≤±0.0233 |
| OCLS error | %FS | ≤±0.0233 |
| Temperature Effect | ||
| Output | %FS/10°C | ≤±0.0117 |
| Zero | %FS/10°C | ≤±0.0186 |
| Temperature Range | ||
| Compensated | °C | -10… +40 |
| Operating | °C | -10… +50 |
| Temperature resistance | ||
| Input | Ω | 386±10 |
| Output resistance | Ω | 350±5 |
| Excitation voltage | VDC | 5 ~ 15 |
| Insulation resistance @50VDC | MΩ | ≥2000 |
| Safe overload limit | %FS | 150 |
| Ultimate Load | %FS | 300 |
| Cable length | ft | 10 |
| Element material | Anodized Aluminum | |
| Seal type | IP67 | |
| Bolt torque | Nm | 35 |
Part Numbers
| Capacity (kg) | Part Number |
|---|---|
| 75 | 4025-001-03 |
| 100 | 4025-002-09 |
| 150 | 4025-003-08 |
| 250 | N/A |
| 500 | N/A |
Dimensions and specifications of SP50 4025 Heavy Capacity Single Point Load Cell subject to change without notice.


