SSGD (5079D) Digital Stainless Steel Pancake Load Cell
Capacity: 5kN to 100kN
The type SSGD is a low profile stainless steel, high accuracy digital pancake load cell. Ideal for weighing tanks, bins and hoppers.
View or download the SSGD 5079D Digital Stainless Steel Pancake Load Cell datasheet below
Features
- Capacities from 5kN to 100kN (1,124 lb to 22.4 klbs) / 0.5t to 10t)
- Corrosion-resistant stainless steel construction.
- Environmental protection IP69.
- Hermetically sealed.
- Designed for easy installation.
- Digital Interfaces: RS-232, RS-485, RS-422 (ASCII) and CAN (SAE J1939) protocols.
Applications for SSGD 5079D Digital Stainless Steel Pancake Load Cell
- Industrial Bin and Hopper Weighing Systems.
- Industrial Process Weighing.
- Tank and Silo Weighing Systems.
- Washdown and Harsh Environment Applications.
Options
- High-quality cable with M12 Quick-Disconnect Connector.
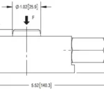
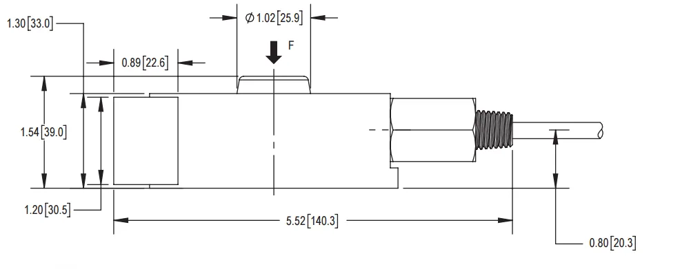
Outline Dimensions
Wiring
| Cable color code | |||
|---|---|---|---|
| PIN No | Color | Rs-232+CAN | RS-485+RS-422 |
| 1 | WHITE | GND1 | GND1 |
| 2 | BROWN | PROGRAM | PROGRAM |
| 3 | GREEN | CANH | RX+ |
| 4 | YELLOW | Trigger Input | Trigger Input |
| 5 | GREY | CANL | RX- |
| 6 | PINK | RXD | TX- |
| 7 | BLUE | TXD | TX+ |
| 8 | RED | PWR+ | PWR+ |
| SHELL | CLEAR | SHIELD | SHIELD |
Cable: 24 AWG, 8 Conductor foil shielded black PVC cable + drain wire.
Specifications for SSGD 5079D Digital Stainless Steel Pancake Load Cell
| Model | SSGD | |
|---|---|---|
| Capacity (E max) | kN | 5, 10 , 20, 50, 100 |
| PERFORMANCES | ||
| Combined error | %FS | ≤±0.05 |
| Creep error (30min) | %FS | ≤±0.03 |
| ADC | 24-bit Delta Sigma | |
| Adjustable, external output update rate | upd./sec | 10 |
| GENERAL I/O’s | ||
| Hardware interface, CAN version Hardware interface, RS version | CAN RS232, RS485 and RS422 | |
| Data transmission rate CAN Data transm. rates RS485/RS422/RS232 | kb | 250 115.2 |
| Protocol CAN Protocol RS485 / RS422 / RS232 | J1939 ASCII | |
| Power supply | VDC | +12 -+27≤0.5Watt |
| Power supply ripple | mV as pk-pk | ≤100 |
| INFLUENCES | ||
| Safe load limit | %FS | 500 |
| Ultimate load | %FS | 600 |
| Temperature effect on zero | %FS/°C | 0.004 |
| Temperature effect on span | %FS/°C | 0.004 |
| Temperature range | °C | Operating: -10/+40 |
| EMC performance | MID Class E2 (industrial locations) | |
| I/O protection, all pins | Reversed polarity; Excess voltage and surge | |
| Isolation body/Electronics at 500VDC | GΩ | >1 |
| Vibration | 2.5G operational; 5G non-operational | |
| Cable length | ft | 30 |
| Environmental protection per IEC 529 | IP69 | |
| Element material | Stainless Steel | |
Part Numbers
| Capacity (kN) | Part No. | |||
|---|---|---|---|---|
| Free End Version | With M12 Connector | |||
| GEN (RS-232+CAN) | A (RS-485+RS-422) | B (RS-232+CAN) | C (RS-485+RS-422) | |
| 5 | 5079D-000-00 | 5079D-000-01 | 5079D-000-02 | 5079D-000-03 |
| 10 | 5079D-001-00 | 5079D-001-01 | 5079D-001-02 | 5079D-001-03 |
| 20 | 5079D-002-00 | 5079D-002-01 | 5079D-002-02 | 5079D-002-03 |
| 50 | 5079D-003-00 | 5079D-003-01 | 5079D-003-02 | 5079D-003-03 |
| 100 | 5079D-004-00 | 5079D-004-01 | 5079D-004-02 | 5079D-004-03 |


