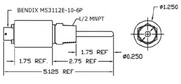
Temperature Probe GTP 8000
Capacity: 0 - 200 °C
Group Four offers away an innovative way to measure temperature with the GTP 8000, all stainless steel construction, low profile temperature probe. Standard range of 0-200 deg C. Available outputs for 4-20 mA and 1-5 Vdc.
Below you can view or download the datasheet of Temperature Probe GTP 8000
Features of Temperature Probe GTP 8000
- All stainless steel construction
- Low profile temperature probe
- Output: 4-20 mADC, 1-5 VDC
- Standard range: 0 – 200 °C
- Custom designs available
Technical Details

