TIB Stainless Steel Specialty Sensor IP68
The TIB Stainless steel sensor is ideal for bulk weighing, tank weighing, silo, hopper material measurement. Often referred to as extensometers, the TIB is designed to attach to the structure to measure load.
Features
- Stainless steel construction
- Environmental protection IP68
- Digital output
- Output of 1.25mV/V for 0.1mm deflection
- Special SWAGE clamp
applications
- Tank weighing
- Silo weighing
- Hopper weighing
- Material measurement
- Anti-overload applications
- Lift up instruments
- Retrofitting
technical details of TIB Stainless Steel Specialty Sensor IP68
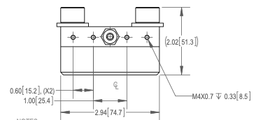
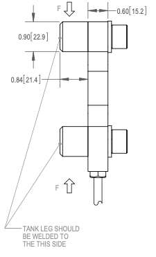
Outline Dimensions

Wiring

Specification

