TSP (4037) Stainless Steel Single Point Load Cell IP65
Capacity: 25lb to 500lb / 11 kg to 226 kg
The TSP 4037 is a mainstay of the weigh belt feeder application. The stainless steel construction and extra cover make this single point especially resilient in outdoor and hostile environments. The capacities offered are from 50 lb. up to 500 lb. This cell is also commonly found in filling machines and bench scales.
Features
- Capacities 50lb, 100lb, 250lb & 500lb
- Stainless steel construction
- Environmental protection IP65
applications
- Platform scales, conveyor scales, bench and counting scales, weigh feeders and filling machines
options
- Plated tool steel construction
- Load cell with M12 connector
technical details of TSP (4037) Single Point Load Cell
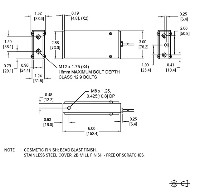
Outline Dimensions

Wiring

Specification

