TSP51 (4045) Stainless Steel Single Point Load Cell IP67
Capacity: 15lb and 25lb
This specialty load cell is constructed from stainless steel and is commonly found in check weighing applications in food and chemical processing facilities because it is suitable for a wash down environment.
Features
- Capacities 15lb and 25lb
- Stainless steel construction
- Environmental protection IP67
applications
- Single point platform scales
- Belt conveyor scales
- Bench and counting scales
- Small hopper scales and net weighing
- Check weighing scales
options
- Plated steel construction.
- mV/V/Ω calibration.
technical details of TSP51 (4045) Single Point
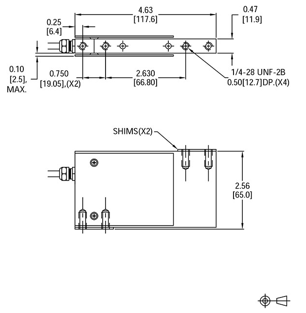
Outline Dimensions

Wiring

Specification

