WBP (1040) Stainless Steel Beam Load Cell IP69
Capacity: 1.25 klb to 10 klb / 566 kg to 4.5 t
The WPB is a hermetically sealed weigh bar. Ideal for use in floor scales and weighing systems commonly found in the agriculture industry.
Features
- Capacity 1.25, 2.5, 5, 10klb
- Stainless Steel Construction
- Environmental protection IP69 with complete hermetic sealing
applications
- Floor scales
- Tank mount assemblies
- Weighing systems which are used in heavy wash down conditions
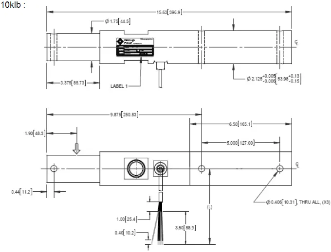
technical details of WBP (1040) Beam Load Cell
Outline Dimensions

Wiring

Specification

