WDLU Wireless Digitizer
Group Four Transducer frees you from the web of wires by introducing wireless digitizer card WLDU. It allows to transmit amplified load signals to from LDU transmitter to LDU receiver wirelessly.
Below you can view or download the datasheet of WDLU Wireless Digitizer.
Features of WDLU Wireless Digitizer
- Wireless LDU Transmitter
- Wireless LDU receiver
- Transmission range 500 meters
- Network or point to point wireless interfacing
- Graphic presentation, analysis and set up PC program, DOP4 software
Applications
- Analog load cell systems
- Calibration equipment
- Test machines
Option
- Transmission range 1km
- Transmission range 2km
technical details of WDLU Wireless Digitizer
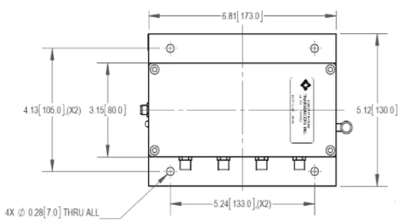
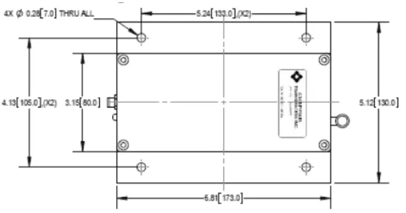
Outline Dimensions
Wireless Transmitter

Wireless Receiver

Pin Configuration
Wireless LDU Transmitter
M8 5pin male connector

M8 5pin female connector

Wireless LDU Receiver
M8 5pin male connector

Specification

Part Numbers

