WMBP Aluminum Weigh Module 6000WM3
Capacity: 5kg-10kg, 37.5lb-200lb
The WMBP Aluminum Weigh Module 6000WM3 is a versatile, low-capacity weighing solution designed for precision and durability in demanding industrial environments. Engineered for maximum flexibility, this configurable module allows users to customize scale width, length, and height to meet specific application requirements.
Whether you are looking to integrate a single unit or multiple modules into a complex measurement chain, the WMBP offers seamless connectivity to digital displays, analog systems, or your existing network infrastructure.
View or download the WMBP 6000WM3 Aluminum Weigh Module datasheet below for full technical specifications and wiring diagrams.
Download WMBP 6000WM3 datasheet
Key Features for WMBP Aluminum Weigh Module 6000WM3
- Versatile Capacity Range: Supports loads from 5kg to 100kg (37.5lb to 200lb), making it ideal for light to medium industrial tasks.
- IP67 Environmental Protection: The rugged aluminum construction and IP67 rating ensure the module is completely protected against dust and water immersion, suitable for washdown environments.
- Integrated Overload Protection: Built-in safeguards protect the sensitive load cell components from accidental overloads, extending the lifespan of your equipment.
- Rapid Installation: The modular design allows for easy & quick setup, minimizing downtime during integration into your machinery or production line.
- Flexible Connectivity: Easily sum multiple modules for larger platforms or connect directly to your measurement chain network for real-time data acquisition.
Industrial Applications for WMBP Aluminum Weigh Module 6000WM3
- Tank and Hopper Weighing: Convert stationary tanks, hoppers, and vessels into smart weighing units. This is essential for industries requiring precise material dosing and batching.
- Real-Time Inventory Monitoring: Keep track of your stock levels automatically. The WMBP kit provides the accurate data needed for advanced inventory management systems, helping you avoid stockouts or overfilling.
- Custom Machinery Integration: The low-profile design and configurable dimensions make it a favorite for OEM manufacturers who need to embed weighing functionality directly into specialized machinery.
Options
Enhance your setup with our Optional Load Foot, designed to provide superior stability and self-alignment for stationary weighing applications.
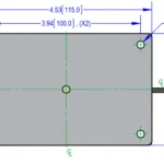
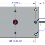
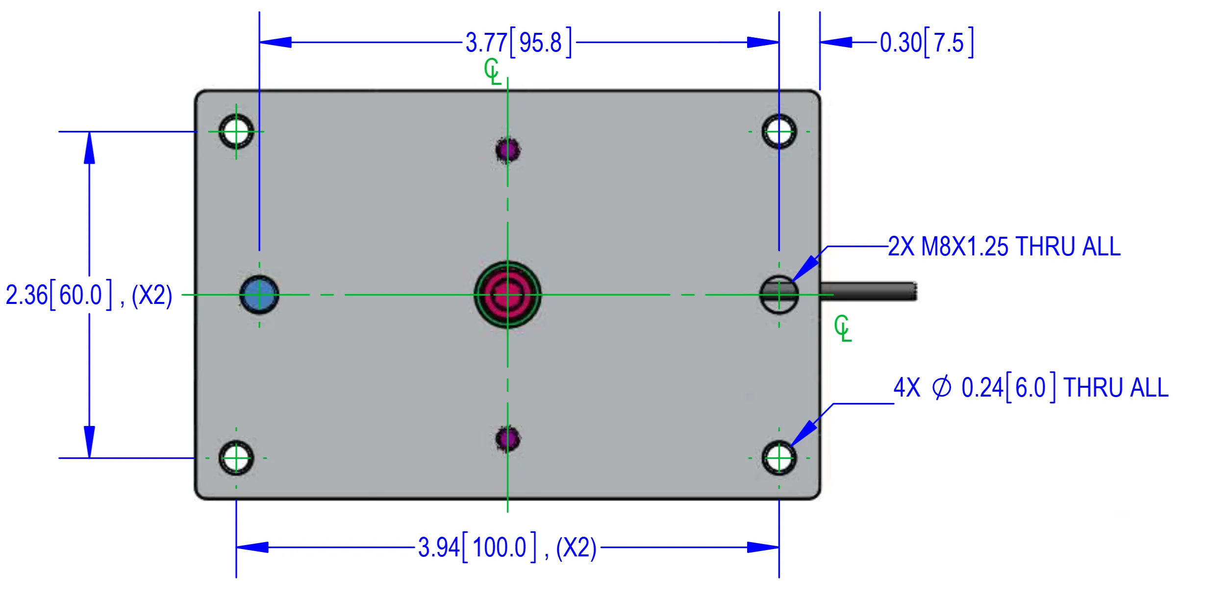
Outline Dimensions
| Capacity | H ( in[mm] ) |
|---|---|
| 5kg | 0.92 [23.4] |
| 10kg | 1.00 [25.4 |
| 37.5lb | 1.06 [27.0] |
| 75lb | 1.06 [27.0] |
| 200lb | 1.22 [31.0] |
Note: shown loading direction is for positive output.
Wiring Diagram & Color Code
Cable: 28AWG, 4 Conductor Shielded Gray Cable.
Connector: AMP#5-103961-4.
Pin configuration
Specifications for WMBP Aluminum Weigh Module 6000WM3
| Model | WMBP | ||
|---|---|---|---|
| Capacities | 5kg / 10kg / 37.5lb / 75lb / 200lb | ||
| Full scale output (FS) | mV/V | 0.9±0.1 | |
| Calibration in mV/V/Ω | % | ≤±0.05 | |
| Combined error | %FS | ≤±0.02 | |
| Non-linearity | %FS | ≤±0.02 | |
| Hysteresis | %FS | ≤±0.02 | |
| Creep @ 20min | %FS | ≤±0.03 | |
| Zero balance | %FS | ≤±5 | |
| Temperature effect | |||
| Output | %FS/10°C | ≤±0.04 | |
| Zero | %FS/10°C | ≤±0.04 | |
| Temperature range | |||
| Compensated | °C | -10…+40 | |
| Operating | °C | -20…+65 | |
| Terminal resistance | |||
| Input resistance | Ω | 386±30 | |
| Output resistance | Ω | 350±5 | |
| Excitation voltage | VDC | 5…15 | |
| Insulation resistance @ 50V DC | MΩ | ≥5000 | |
| Safe overload limit | %FS | 150 | |
| Ultimate load | %FS | 200 | |
| Cable length | in | 18 | |
| Seal type | IP67 | ||
| Element material | Aluminum | ||
Part Numbers
| Capacity | Part No. |
|---|---|
| 5kg | 6000WM3-000-00 |
| 10kg | 6000WM3-001-00 |
| 37.5lb | 6000WM3-002-00 |
| 75lb | 6000WM3-003-00 |
| 200lb | 6000WM3-004-00 |
Download WMBP 6000WM3 datasheet
WMBP Aluminum Weigh Module 6000WM3 dimensions and specifications subject to change without notice.








