Digital Single Ended Beam Load Cell ZNSHD 1057D
Capacity: 10kg to 200kg
The ZNSHD stainless steel single ended hermetically sealed digital bending beam load cell is ideal for use in floor scales, bench scales, tank weighing, hopper weighing and conveyor, packaging and filling applications.
Below you can view or download the datasheet of ZNSHD 1057D Digital Single Ended Beam Load Cell
Features of Digital Single Ended Beam Load Cell ZNSHD 1057D
- Capacities 10, 20, 50, 100 and 200kg
- Environmental protection IP69
- Stainless steel construction
- Industry standard load plug mounting
- Hermetically sealed
- A to D conversion rate up to 1200upd./sec
Applications
- Floor scales
- Bench scales
- Tank weighing
- Hopper weighing
- Conveyor scales
- Packing & Filling
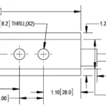
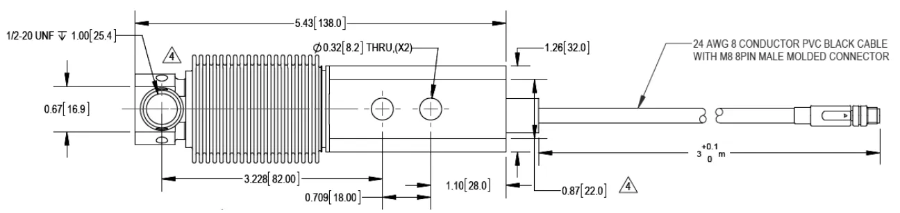
Outline Dimensions
Wiring
| Pin No | RS232 + CAN | RS485 + RS422 |
|---|---|---|
| 1 | GND1 | GND1 |
| 2 | Program | Program |
| 3 | CANH | Rx+ |
| 4 | Trigger Input | Trigger Input |
| 5 | CANL | Rx- |
| 6 | RxD | Tx- |
| 7 | TxD | Tx+ |
| 8 | PWR+ | PWR+ |
Part Numbers
| Capacity (kg) | Capacity (newtons) | Option | Communication interface | Part Number |
|---|---|---|---|---|
| 10 | 100 | GEN | RS232 + CAN | 1057D-000-00 |
| A | RS485 + RS422 | 1057D-000-01 | ||
| 20 | 200 | GEN | RS232 + CAN | 1057D-001-00 |
| A | RS485 + RS422 | 1057D-001-01 | ||
| 50 | 500 | GEN | RS232 + CAN | 1057D-002-00 |
| A | RS485 + RS422 | 1057D-002-01 | ||
| 100 | 1000 | GEN | RS232 + CAN | 1057D-003-00 |
| A | RS485 + RS422 | 1057D-003-01 | ||
| 200 | 2000 | GEN | RS232 + CAN | 1057D-004-00 |
| A | RS485 + RS422 | 1057D-004-01 |



