GBL (5035) Stainless Steel Button Load Cell
Capacity: 200 and 500 N
Features
- Capacities 200N and 500N
- Stainless steel
- Environmental protection IP67
applications
- Force and weight measurement
technical details of GBL (5035) Button Load Cell
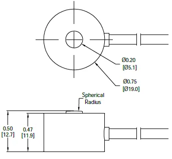
Outline Dimensions

Wiring

Specification

Part Numbers

