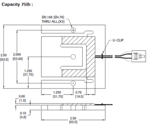
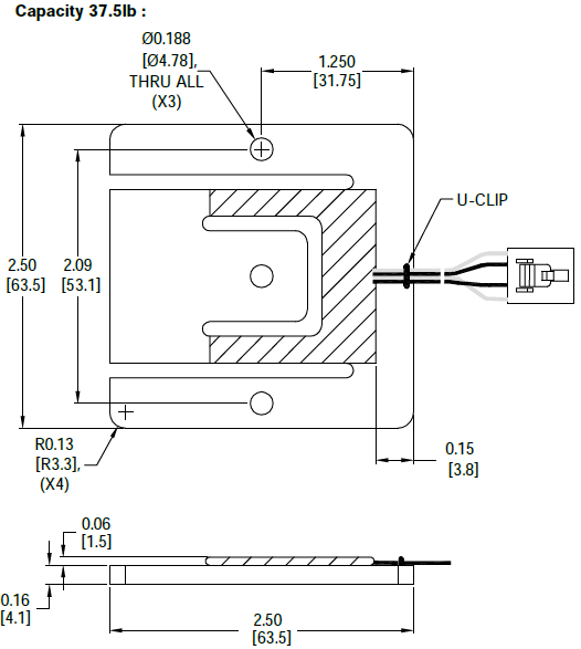
WMB (6002) Wing Aluminum Planar Beam Load Cell IP67
Capacity: 37.5lb to 200lb / 17 to 90 kg
This 6002 aluminum planar beam load cell is low profile and perfect for your checkout scale, bin scale and internet of things IoT applications.
Features
- Capacities 37.5lb, 75lb and 200lb
- Aluminum construction
- Environmental Protection IP67
- Very low profile design
applications
- Compact scales, bench and floor scales, retail and counting scales, special applications in medical and other areas
technical details of WMB (6002) Planar Beam Load Cell
Outline Dimensions

Wiring

Specification

